平城區小南頭街道2022年政府信息公開工作年度報告
依據《中華人民共和國政府信息公開條例》(國務院令第711號,以下簡稱新《條例》)、《大同市平城區人民政府辦公室關于填報政府信息公開工作年度報告的通知》等有關精神,小南頭街道結合實際對有關統計數據進行編制。本年度報告中所列數據的統計期限自2022年1月1日起至2022年12月31日止。全文包括主動公開、依申請公開、政府信息管理、平臺建設、監督保障(含《中華人民共和國政府信息公開條例》第五十條第四項規定的各級人民政府“工作考核、社會評議和責任追究結果情況”)等方面。
一、總體情況
2022年小南頭街道堅持以習近平新時代中國特色社會主義思想為指導,聚焦省市全會精神,緊扣區委年度目標任務,發揮街道黨工委統籌作用,精密組織加強黨的領導、精準治理瞄準群眾需求、精細服務抓實村級組織建設,通過區域聯動、支部聯建等方式解決各類民生實事,切實以優良作風建強干部隊伍、以培育服務促進經濟高質量發展、以基層治理助推城市圈“值”提升、以抓實保障增進社會民生福祉、以聯查聯動壓實安全穩定責任,呈現社會和諧穩定、基層組織有力、黨群關系融洽、經濟發展穩中有進的良好局面。同時,緊緊圍繞區委、區政府中心工作及社會群眾關注關切,強政策發布的力度和時效,持續提升公開質量和治理效能,取得積極成效。
(一)主動公開
信息公開范圍重點圍繞我街道重點工作和年度目標任務,準確公開最新政策、最實舉措、最快動態、及時回應熱點輿情、重點和難點問題,充分發揮了信息公開和政策宣傳效應。截至目前,我街共承辦各類工單827件次,綜合響應率為100%;公示了臨時救助71人。同時,我街道積極推進一般事項公開向重點事項公開、結果公開向全過程公開,進一步提高政務公開的質量。一是公開的內容更加充實。嚴格落實政府公示制度,加大信息公開范圍,年度工作計劃、財政預算及執行情況;上級政府部門下撥專項經費及使用情況;違反計劃生育政策事件處理情況;優待、撫恤和生活困難救助情況;干部職工錄用情況和干部交流情況;財務收支情況等全部納入公開范圍。二是公開的時間更加及時。我街要求各村各部門提高信息公開效率,及時公開各自負責領域信息內容。嚴格按要求做到常規性工作定期公開,臨時性工作隨時公開,固定性工作長期公開,進一步提高信息公開的時效性。三是信息公開重點更加突出。堅持把群眾最關心、最需要了解的事項作為信息公開的重點。緊緊圍繞“三農”、征兵、臨時救助等領域,及時將相關政策傳播落實,讓公眾第一時間了解前沿信息。
(二)依申請公開
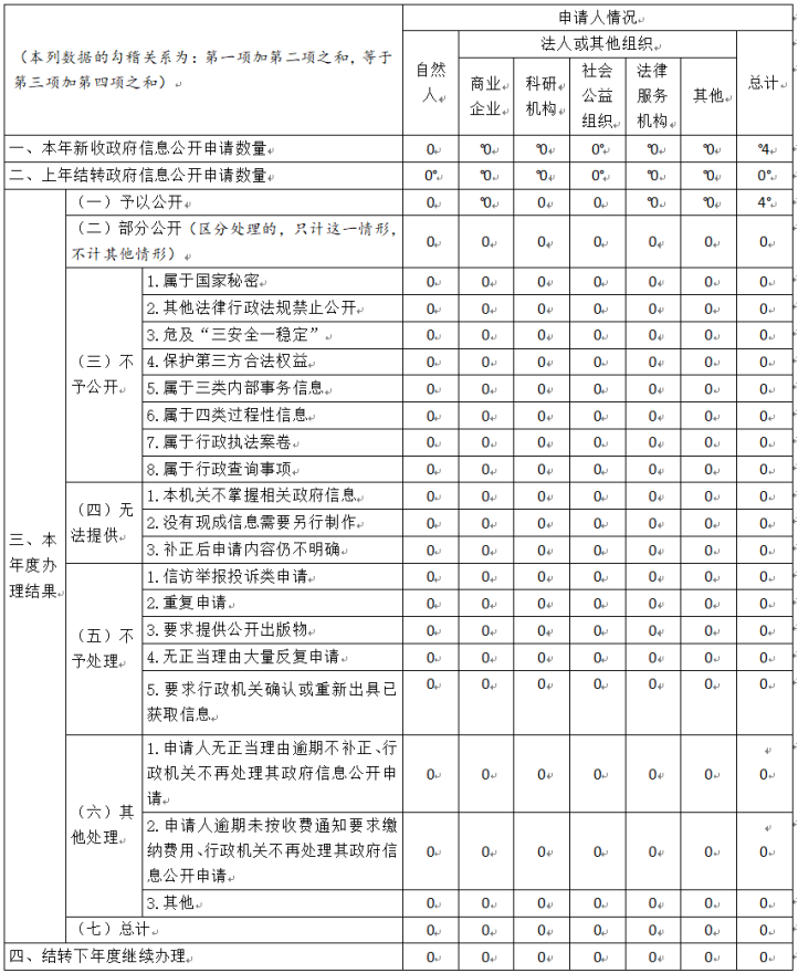
本年度無依申請公開信息。
(三)政府信息管理
1、建立健全工作機制,制度規范。
2、加強隊伍建設,職責分明。
(四)監督保障
1、組織領導,監督檢查。
2、定期評議,加強考核。
二、主動公開政府信息情況

三、收到和處理政府信息公開申請情況

四、政府信息公開行政復議、行政訴訟情況

五、存在的主要問題及改進情況
2022年我街道政府信息公開工作雖然取得了一定成績,但在工作中仍存在一些問題。主要表現為:一是政務信息公開宣傳不太到位,平臺建設有待加強;二是公開內容不夠完善全面。針對這些問題,我街道將采取以下措施進行改進:
1、強化宣傳力度;
2、加強信息公開平臺的建設;
3、完善公開內容,進一步擴大政府信息公開的范圍。
六、其他需要報告的事項
無
掃一掃在手機上查看當前頁面

三晉通APP
晉公網安備 14020202000152號